CC超高真空插板閥



CC超高真空插板閥概述
CC Manual Ultra-high Vacuum Gate Valve
CC型手動超高真空插板閥是以手柄帶動閥板作上下運動使閥板開啟或關閉。閥門用于接通或切斷真空管路中的氣流。適用介質為純凈空氣和非腐蝕性氣體。
CC manual ultra-high vacuum gate valve uses a handle to drive valve disc up and down to perform open and close action. It is used to put through or cut off the airflow in vacuum pipeline.
Applicable medium can be pure air and noncorrosive gases.
CC超高真空插板閥主要技術性能
Main Technical Performance
| 適用范圍:Applicability | 105~1.3×10-7Pa |
| 閥門漏率:Valve Leak Rate | ≤1.3×10-7Pa.L/S. |
| 適用溫度:Applicable Temperature | -30~+150℃ |
|
閥門開啟時閥板兩側的壓差: The differential pressure between the two sides of valve disc upon valve opening: |
≤2.7×103Pa. |
CC超高真空插板閥主要零件材料
Materials of Main Parts
閥體、閥板:不銹鋼
密封件:氟橡膠、波紋管(軸封)、丁腈橡膠。
Body, and disc: stainless steel
Sealing element: Viton, bellows(shaft seal), NBR
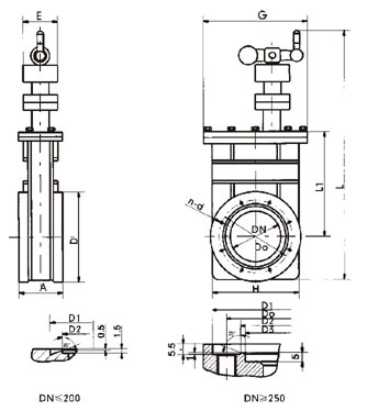
CC超高真空插板閥外形及連接尺寸(mm)
Overall and Connection Dimensions(mm)
|
Model 型號 |
DN | A | H | D | Do | D1 | D2 | D3 | L | L1 | G | E | n-d | 法蘭標準 |
| CC-50 | 50 | 60 | 92 | 89 | 72.4 | 61.6 | 55.6 | 515 | 153 | 220 | 124 | 8-M8 | GB6071 | |
| CC-63 | 63 | 65 | 105 | 114 | 92.1 | 82.6 | 76.6 | 566 | 180 | 220 | 124 | 8-M8 | ||
| CC-80 | 80 | 65 | 130 | 130 | 110 | 99 | 93 | 603 | 200 | 220 | 124 | 16-M8 | ||
| CC-100 | 100 | 70 | 152 | 152 | 130.2 | 120.7 | 114.7 | 653 | 267 | 220 | 124 | 16-M8 | ||
| CC-150 | 150 | 70 | 202 | 202 | 181 | 171.5 | 165.5 | 771 | 350 | 270 | 150 | 20-M8 | ||
| CC-200 | 200 | 80 | 251 | 253 | 231.8 | 222.3 | 216.6 | 889 | 424 | 270 | 150 | 24-M8 | ||
| CC-250 | 250 | 85 | 300 | 314 | 288 | 308 | 275 | 271 | 1127 | 550 | 298 | 200 | 24-M10 | JB5278 |
| CC-300 | 300 | 85 | 352 | 365 | 338 | 353 | 323 | 318 | 1197 | 613 | 298 | 200 | 32-M10 | |
| CC-320 | 320 | 85 | 372 | 385 | 357 | 379 | 344 | 340 | 1197 | 613 | 298 |
200 |
36-M10 | JB5278 |



