GU手動真空球閥
GU高真空(壓力)球閥用于接通或切斷真空(壓力)系統管路中的介質流。應用于真空、乳制品、酒業、生物工程、食品、制藥、飲料、化妝品及化工領域。
下一個產品:GUD電動真空球閥
上一個產品:GIQ氣動高真空蝶閥



GU型高真空(壓力)球閥概述
GU型高真空(壓力)球閥用于接通或切斷真空(壓力)系統管路中的介質流。應用于真空、乳制品、酒業、生物工程、食品、制藥、飲料、化妝品及化工領域。
High Vacuum(Pressure)Ball Valve
GU high vacuum(pressure)ball valve is used to put through or cut off the medium flow in vacuum(pressure)pipeline in the areas of vacuum, dairy products, breweries, biological engineering, foodstuff, pharmaceuticals, drinks, cosmetics and chemicals.
GU型高真空(壓力)球閥主要技術性能
Main Technical Performance
| 閥門漏率:Valve Leak Rate | ≤1.3×10-4Pa.L/S. |
| 適用溫度:Applicable Temperature |
-30~+150℃ -30~+150℃(PPL密封) |
| 適用范圍:Appy Range | |
| 連接型式 Loose Flange | 使用壓力范圍(Pa) |
| 活套法蘭(GB6070、JB919) | 0.6×106~1.3×10-4 |
| 焊接法蘭(GB6070、JB919) | 1.6×106~1.3×10-4 |
| 快卸法蘭(GB4982) | 0.1×106~1.3×10-4 |
| 螺紋連接 Threaded Connection | 1.6×106~1.3×10-4 |
主要零件材料
Materials of Main Parts
閥體、閥蓋、閥桿:不銹鋼
密封件:四氟乙烯、丁腈橡膠、氟橡膠、PPL。
Body, disc and stem: stainless steel.
Sealing element: PTFE, NBR, Viton, PPL.
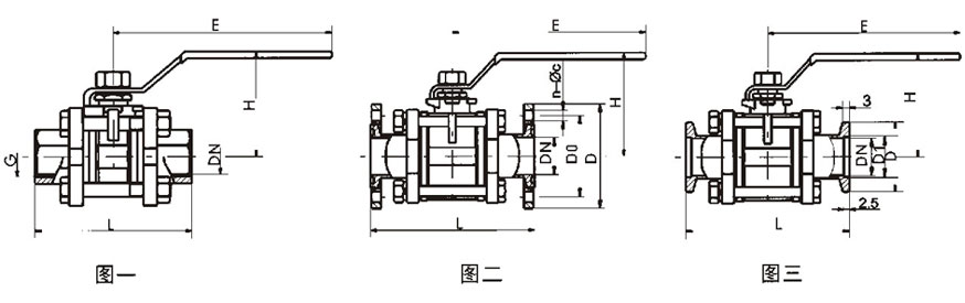
外形及連接尺寸(mm)(JB919)
Overall and Connection Dimensions(mm)
螺紋連接的外形及連接尺寸(圖一)
|
Model
型號 |
DN
|
G
|
H
|
E
|
L
|
|
GU-10(G)
|
10
|
1/4"
|
52
|
105
|
68
|
|
GU-16(G)
|
16
|
1/2"
|
64
|
130
|
72
|
|
GU-20(G)
|
20
|
3/4"
|
67
|
130
|
82
|
|
GU-25(G)
|
25
|
1"
|
83
|
165
|
90
|
|
GU-32(G)
|
32
|
1-1/4"
|
89
|
165
|
112
|
|
GU-40(G)
|
40
|
1-1/2"
|
100
|
190
|
120
|
|
GU-50(G)
|
50
|
2"
|
125
|
190
|
145
|
|
GU-63(G)
|
63
|
2-1/2"
|
150
|
250
|
185
|
|
GU-80(G)
|
80
|
3"
|
161
|
250
|
210
|
|
GU-100(G)
|
100
|
4"
|
180
|
280
|
268
|
活套法蘭連接(GB6070)(圖二)
|
Model
型號 |
DN
|
D
|
Do
|
H
|
E
|
L
|
n-φc
|
|
GU-10(F)
|
10
|
55
|
40
|
52
|
105
|
84
|
4-φ6.6
|
|
GU-16(F)
|
16
|
60
|
45
|
64
|
130
|
84
|
4-φ6.6
|
|
GU-25(F)
|
25
|
70
|
55
|
83
|
165
|
114
|
4-φ6.6
|
|
GU-32(F)
|
32
|
90
|
70
|
89
|
165
|
140
|
4-φ9
|
|
GU-40(F)
|
40
|
100
|
80
|
100
|
190
|
160
|
4-φ9
|
|
GU-50(F)
|
50
|
110
|
90
|
125
|
190
|
170
|
4-φ9
|
|
GU-63(F)
|
63
|
130
|
110
|
150
|
250
|
195
|
4-φ9
|
|
GU-80(F)
|
80
|
145
|
125
|
161
|
250
|
220
|
8-φ9
|
|
GU-100(F)
|
100
|
165
|
145
|
180
|
280
|
280
|
8-φ9
|
快卸法蘭連接(GB4982)(圖三)
|
Model
型號 |
DN
|
D1
|
D
|
H
|
E
|
L
|
|
GU-10(KF)
|
10
|
12.2
|
30
|
52
|
105
|
84
|
|
GU-16(KF)
|
16
|
17.2
|
30
|
64
|
130
|
84
|
|
GU-25(KF)
|
25
|
26.2
|
40
|
83
|
165
|
114
|
|
GU-32(KF)
|
32
|
34.2
|
55
|
89
|
165
|
140
|
|
GU-40(KF)
|
40
|
41.2
|
55
|
100
|
190
|
160
|
|
GU-50(KF)
|
50
|
52.2
|
75
|
125
|
190
|
170
|




相關文章