Q946F電動四通球閥
品牌:三精閥門
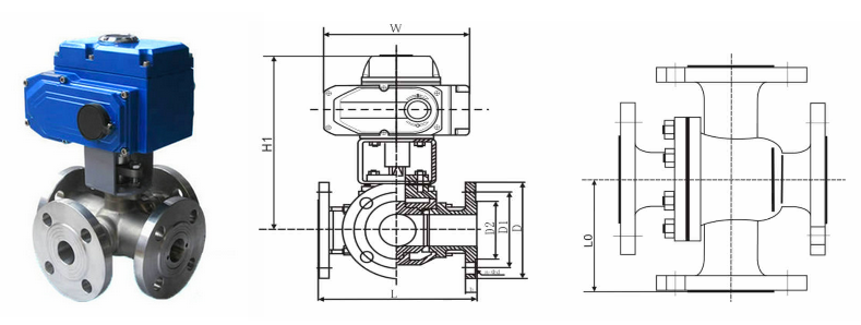
閥門型號:Q946F,Q946H
通徑規格:DN50~DN500
結構形式:四通鑄造閥體
閥體材質:鑄鋼(WCB)、不銹鋼(304、316、316L)
公稱壓力:PN10、PN16、PN25、PN40
適用溫度:-40℃~450℃
應用范圍:液體、氣體、油品、漿料及含固體顆粒介質
產品特點:可同時切換兩種介質的流向,實現一閥多用



電動四通球閥概述
電動四通球閥是“X”型流道的四通四面座球閥,旋轉90°可同時對兩種介質的流向進行切換,即方便而迅速,實現一閥多用的效果。電動四通球閥替代了以前四個閥門的復雜操作,解除了所占空間大、成本高、操作煩瑣等問題,可實現正反供水切換,每旋轉90度,供水方式即能切換一次,操作簡單方便。
電動四通球閥特點
電動四通球閥球體的兩條通道為X形布置,四個通道口徑均布于球體赤道圓周截面上,當球體沿順時針旋轉90時,能使相對的兩個通道實現兩兩互通。在電站系統中稱為雙向供水轉閥(在石化系統中也稱空氣換向切換閥),適用于液體、氣體、粉塵、漿料及含固體顆粒介質的循環系統,如:電站機組冷卻器正反向循環供水系統。
電動四通球閥參數
| 公稱通徑 | DN15~DN200(mm) |
| 公稱壓力 | PN1.6、2.5、4.0、6.4MPa |
| 連接形式 | 法蘭式 |
| 結構形式 | 四通鑄造閥 |
| 驅動方式 | 電動控制(可帶手動手輪) |
| 使用溫度 | -40℃~450℃ |
| 電源電壓 | AC220V、AC380V(其他定制DC24等) |
| 閥體材質 | 碳鋼WCB、不銹鋼304、316、316L |
| 密封材料 | PTFE(聚四氟乙烯)、PPL(對位聚苯)、金屬密封(硬質合金) |
電動四通球閥換向原理
“LL'’型四通球閥只需操作板手或執行器將球體轉動90°,同時對兩種介質的流向進行切換,即方便而迅速,實現一閥多用的效果。
電動四通球閥可選功能
| 可選功能 | |
| 防爆功能 | 防護等級:相當IP65(或IP67)、隔爆標志:ExdⅡBT4 |
| 調節功能 | 輸入輸出4-20mA、O- 5V.DC、0- 10V.DC |
| 手動功能 | 可裝配手動裝置,開閥、關閥功能 |
| 相關溫度 | 環境溫度:-25~+70℃、環境濕度:≤95% |

